隨著我國的高層建筑、寫字樓、飯店、賓館不斷增加,中央空調的使用量也不斷增加,許多大廈的送風機處于開環、恒速、24h連續運轉狀態,送風量的大小僅通過擋風板進行調節,而送風驅動電機的總功率通常在上百到幾百千瓦,使得中央空調送風系統的用電量較大,大廈的經營者每年要花費巨額的空調電費。如能在現有的基礎上對送風系統進行節能改造,使系統能根據需要進行送風,將能提高送風效率、節約能源、減少浪費。
1、空調送風系統節能潛力分析
以某大型酒店為例,酒店客房的入住率、四季的變化及每日不同的時間段,對空調系統的送風要求也不同,因此存在節能改造的可能性和可行性,可從以下幾個問題分析入手。
1.1、
中央空調系統的工作原理
圖1所示的是某酒店中央空調的示意圖:空氣從回風口和新風口進入空調系統入口,入口處設調風門以控制進風量的大小,過濾后的空氣繼續往前,到空氣混合室,通過送風機后,被送去加濕,加濕后的空氣送去冷卻或加溫(隨季節而定),經擋水板,然后,進入空氣分配室,再到送風管,最后進入空調室。
圖 1 集中式中央空調系統示意
送風一般由若干臺送風機同時完成,所需送風功率視需要而定,應該是可調的。接受部分回風可節省熱能,新風口能增加新鮮空氣。
1.2、風機的轉速送風量和能耗之間的關系
風機軸的輸入功率P與風量的輸出Q和揚程H之間有下列關系[2];
P = kQH(1)
式中 k 為常數,式(1)說明,電機的輸出功率和它驅動的風機的風量 Q、揚程 H 成正比,當風機轉速n 變化時,風機輸出的風量 Q將發生變化,它們之間有下列關系:
Q2/Q1=n2/n1 (2)
風機轉速和出風量成正比。風機的輸出功率 P 和轉速n 有以下關系:
P2/ P1=(n2/n1)3 (3)
從式(1)、(2)、(3)可見減少送風量可通過降低風機的轉速實現。降低風機的轉速將大大地降低能耗,節能效果明顯。
2、節能送風控制系統
中央空調節能改造系統要考慮風機的運行控制方式,即應使每臺風機的運行時間盡量均衡。另外,控制器應簡單有效,設計時能考慮各種特殊情況,具有一定的抗干擾及應變能力。
2.1、風機的控制方案

圖 2 風機接入、切除順序示意
在要求減少送風量的時候,最有效的方法是改變風機的轉速。風機的轉速可通過改變電機的轉速實現,對于三相交流異步電動機使用變頻器即可有效地改變電機的轉速。對于用多臺風機組成的送風系統,這里以 3臺為例,擬采用如圖 2 所示的方案,來實施送風量的調節。3臺電機的總功率應大于等于最大送風量所需的輸入功率。3臺電機中,只對第3臺實施變頻調速,第 1、2兩臺以工頻方式運轉,這樣既可以減少變頻器的容量、成本,又能很好地完成風量調節的目的。送風系統工作過程如下:在最小負荷下,要保證有1臺電機按工頻方式運轉,以保證最小的送風量。當要求送風量增加時,可按以下方式改變運行狀態,1號機運行風量不足,3號機投入按變頻方式運行,逐步增加轉速以達到送風量的要求。若送風量仍然不足,2號機投入運行,3號機仍以變頻方式運轉,改變3號機轉速以達到需要的送風量。在要求送風量減少的過程中,設3臺風機同時運轉,先降低3號機的工作頻率到最低值。若送風量仍然過大,可切除1、2號機中先接入的1臺,3號機以變頻方式高速運轉;若送風量仍然過大,降低3號機的轉速,直至切除3號機。
2.2、閉環送風機變頻系統的構成
要構成閉環系統,需要在出風口安置風壓傳感器,以保證出風口有恒定的風壓,當測得的風壓上升時,說明送風驅動量過大了,此時應降低送風驅動量。當測得的風壓降低時,說明此時送風驅動量不足需要加大送風驅動量。檢測到的風壓信號和給定值進行比較以確定送風量的調節方向。閉環送風機變頻系統的框圖如圖3所示?刂破鞒敵鲞B續可調的模擬信號以調節變頻器的工作頻率之外,還要輸出開關量以確定1、2、3號電機的接入與切除。

圖 3 送風機變頻控制結構示意
2.3、控制器設計
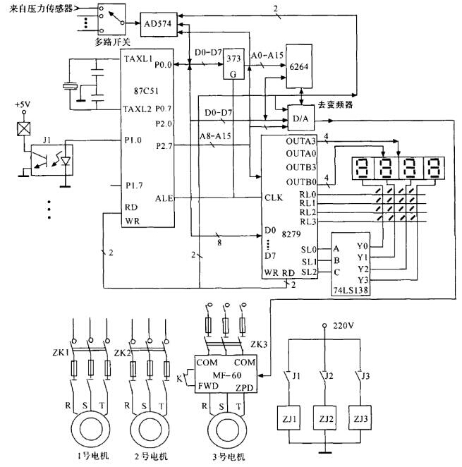
控制器主要實現對送風量的控制,使送風壓力保持基本恒定。這里用單片機及其外圍電路構成,如圖4所示。用數碼管顯示送風壓力,壓力的給定可以用鍵盤輸入也可以用電位器經A/ D轉換后輸入。控制器在功能上,既能實現連續控制,也能實現分級不連續控制,具體通過程序編制實現。

圖 4 控制器及電機電路
3、結論
中央空調的送風系統采用了變頻加閉環控制后,運行穩定,節電效果明顯。雖然在原有的系統中增加了變頻器,但由于只對單臺風機采用變頻控制,要求的變頻器容量一般僅在幾十千瓦;另外,用單片機及其外圍電路作為控制器;再是不需要對原系統作多少改變。所以,對整個空調系統的投入并不大,系統改造后的經濟效益明顯。
上一篇:
中央空調系統的節能優點
下一篇:
空調節能成為公共建筑節能重點改造方向