һ{(dio)ˮϵy(tng)
{(dio)ˮϵy(tng)sˮϵy(tng)sˮásyTȣˮϵy(tng)ˮܡáĩˡyTÛˮȣˮϵy(tng)


{(dio)ˮϵy(tng)
1ýˮϵy(tng){(dio)ˮϵy(tng)
2sˮϵy(tng)
3ˮϵy(tng)


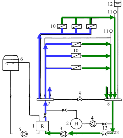
1-ˮˮC(j)M 2-偠t 3-ˮ 4-ˮ 5-sˮ 6-s 7-ˮ8-ˮ 9-y 10-{(dio)O(sh) 11-Ԅ(dng)Śy 12-Ûˮ 13-yT
ļr(sh) DʾˮC(j)M1Ƴ7ˮˮ3ˮ7Ȼɷˮͨ^ˮ֧ܷքe{(dio)g^(q){(dio)O(sh)10


{(dio)O(sh)ˮc՚⽛(jng)Qˮ12ַքeɸˮ֧ˮ8ˮC(j)M1ٱ̎7˷(f)ѭh(hun)
ůr(sh) 偠t2Ƴ60ˮˮ4ˮ7Ȼļˮ·ѭh(hun)偠t2±ӟ̎
ļͶůD(zhun)Qͨ^ˮC(j)M偠tM(jn)ˮϵyT](sh)F(xin)Dʾ


DÛˮ12Ҫռˮӟr(sh)weÛˮֹϵy(tng)p©ˮÛˮ߀a(b)ˮͶ


ˮϵy(tng)йܵĸ̎eۿ՚(dng)ܵ(ni)п՚r(sh)(hu)γ^“”Ӱˮ(dng)DԄ(dng)Śy11ǞSr(sh)ųϵy(tng)(ni)Ŀ՚O(sh)õ
ˮϵy(tng)O(sh)yT
ˮϵy(tng)߀ҪO(sh)±Ҫxb
{(dio)ˮϵy(tng)ʽ
{(dio)ˮϵy(tng)ĹݔԝM{(dio)O(sh)̎՚Ҫ{(dio)ˮϵy(tng)ʽڷʽһӣкܶͣҊУ
]ʽϵy(tng)_ʽϵy(tng)
ɹϵy(tng)ϵy(tng)Ĺϵy(tng)
ͬʽϵy(tng)ͮʽϵy(tng)
ﶨϵy(tng)׃ϵy(tng)
һαϵy(tng)αϵy(tng)ͻʽϵy(tng)
(lin)C(j)ʲôl@Ӹģ
Դٿ
֙(qun)Ո(qng)(lin)ϵh

W(wng) 31010602003768̖(ho)


